CAN总线一体化高扭矩盘式输出智能伺服电机-PD6-CBWF32

CAN总线一体化高扭矩盘式输出智能伺服电机-PD6-CBWF32

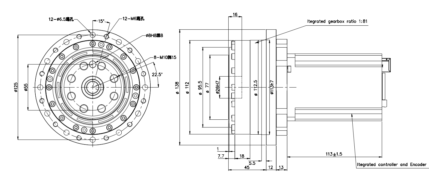
一体化智能伺服电机集成了高扭矩的超薄高精度减速箱。 非常适合需要高扭矩,高精度和紧凑尺寸的应用。 节省空间的多合一伺服系统,简化了安装。 盘式法兰输出。额定输出。额定输出高达123Nm,额定转速15rpm/30rpm (24/48V DC)。非常适合扭矩和尺寸高要求的场景。

Features

  • CANopen标准协议控制
  • 可视化即插即用Plug&Drive Studio调试平台
  • 内置可编程运动控制器
  • 内置单圈绝对编编码器
  • 功率密度高,输出扭矩大
  • 结构紧凑

规格参数

额定转速(rpm):30rpm
力矩(Nm):123 Nm
供电电压(V DC):24-48 V DC
额定电流 (Arms):14 Arms
控制接口:CANopen USB
电机法兰 (mm):80 mm
控制接口:CANopen USB
独立编程控制:Yes
输入 & 输出:

6个数字输入端(5/24V可切换)

2个模拟量输入端(0-10V可切换)

2个数字输出端 (最大 24 V/100 mA)

选装变速箱:
IP防护等级:IP54

3D预览

尺寸图

CAN总线一体化高扭矩盘式输出智能伺服电机-PD6-CBWF32