力矩增强型42系列减速闭环步进电机NEMA17-YL4218L3004-E2000G4

力矩增强型的高性能的步进电机,静态力矩高达550mNm,比同类产品提升20%,法兰尺寸为 NEMA 17 (42 mm),加装微型编码器可实现高精度闭环,齿轮箱提供更高的力矩输出。在200rpm时,高达1.6Nm的实际扭矩输出

简要特性

  • 微型减速闭环步进电机
  • 42系列法兰
  • 已配套编码器/减速箱
  • 一段减速比4比(可选二段减速比)
  • 电机控制器/驱动器可用

规格参数

系列代码:YL4218L3004-E2000G4
相电流(A):3 A
静态⼒矩(mN.m):550(减速前) mN.m
电机⾼度“L“(mm):48 mm
电机重量(kg):0.34 kg
电机法兰(mm):42 mm
相电阻(Ohm):0.63 Ohm
相电感(mH):1.03 mH
转⼦惯量(gcm²):82 gcm²
反馈装置:编码器(闭环版本) 500/1000/2000/4000 CPR可选
订货编码:YL4218L3004-E2000G4

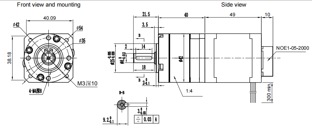
尺寸图

力矩增强型42系列减速闭环步进电机NEMA17-YL4218L3004-E2000G4

力矩曲线

力矩增强型42系列减速闭环步进电机NEMA17-YL4218L3004-E2000G4

文档下载

文件 类型 大小 最后更新 链接
YL4218L3004-E2000G4 pdf - 2月 / 08 / 2022   Download

相关推荐

  • 全闭环步进电机智能型驱动控制器CL3-E

    全闭环步进电机智能型驱动控制器CL3-E

    小型步进电机和伺服电机控制器。 该板的电机控制器很小(40 x 60毫米)。 支持高分辨率编码器输入,集成丰富的数字输入,模拟输入,数字输出。 通过USB,CANopen,Modbus RTU(RS232,RS485)进行控制,特别适合集成...