ng娱乐电子游戏官网-通用免费下载
Menu
首页
产品中心
一体式智能伺服电机
电机控制器 / 驱动器
滚珠直线步进电机|伺服
直线步进电机
步进电机
直流伺服 / 无刷电机
空心杯电机
德国Nanotec品牌电机
减速箱
组件 & 配件
编码器
协议转换器
线性运动单元
技术中心
下载中心
常见问题
应用笔记
知识库
在线培训
新闻中心
新品发布
解决方案
公司动态
联系我们
关于我们
联系方式
人才招募
搜索
选择语言
简体中文
English
首页
产品中心
一体式智能伺服电机
电机控制器 / 驱动器
滚珠直线步进电机|伺服
直线步进电机
步进电机
直流伺服 / 无刷电机
空心杯电机
德国Nanotec品牌电机
减速箱
组件 & 配件
编码器
协议转换器
线性运动单元
技术中心
下载中心
常见问题
应用笔记
知识库
在线培训
新闻中心
新品发布
解决方案
公司动态
联系我们
关于我们
联系方式
人才招募
扫一扫上面的二维码图案,加我微信
选择语言
简体中文
English
首页
产品中心
步进电机
中空轴步进电机
35MM法兰中空轴步进电机
35系列中空轴步进电机-14HSN
35系列中空轴步进电机-14HSN
灵活的紧凑型步进电机,尺寸为 NEMA 14 (35 mm),提供多种长度和不同的绕组,电机尾部可选装编码器。中空轴为透光,透线束,或安装机械轴提供了便利。
简要特性
中空轴步进电机
35系列法兰
可配套编码器
更长的寿命和更高的精度
提供不同长度
电机控制器/驱动器可用
详情
3D预览
尺寸
曲线
文档下载
规格参数
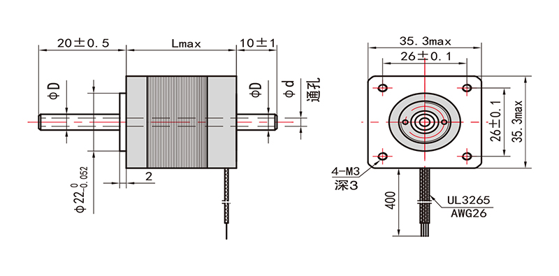
系列代码:
14HS34N/H
相电流(A):
1
A
静态⼒矩(mN.m):
160
mN.m
电机⾼度“L“(mm):
34
mm
电机重量(kg):
0.4
kg
电机法兰(mm):
35
mm
相电阻(Ohm):
2.7
Ohm
相电感(mH):
3
mH
转⼦惯量(gcm²):
18
gcm²
反馈装置:
编码器(闭环版本)
订货编码:
14HS34N-E2000
尺寸图
力矩曲线
文档下载
文件
类型
大小
最后更新
链接
14HSN
pdf
-
1月 / 18 / 2022
Download
产品中心
一体式智能伺服电机
电机控制器 / 驱动器
滚珠直线步进电机|伺服
直线步进电机
步进电机
直流伺服 / 无刷电机
空心杯电机
德国Nanotec品牌电机
减速箱
组件 & 配件
编码器
协议转换器
线性运动单元
技术中心
下载中心
常见问题
应用笔记
知识库
客户定制
新闻中心
新品发布
解决方案
公司动态
联系我们
关于我们
联系方式
人才招募
+86 188 8380 4080
24小时服务热线
友情链接
淘宝企业店铺
友情链接 2
友情链接 3
友情链接 4
友情链接 5
友情链接 6
QQ在线客服
点击按钮咨询
QQ客服1
QQ客服2
服务热线
+86 188 8380 4080
扫一扫上面的二维码图案,加我微信