固定轴式直线步进电机-8HY40A

固定轴式直线步进电机-8HY40A

灵活的紧凑型直线步进电机,尺寸为 NEMA 8 (20 mm),定位时间短、推力和拉力大。固定轴

简要特性

  • 可选装高精度编码器
  • NEMA8法兰,20mm尺寸
  • 可配套驱动与控制器
  • 质量可靠,交货期快
  • 多种丝杆规格可选

规格参数

型号代码:8HY40A
相电流(A):0.6 A
静⼒矩(mN.m):32 mN.m
相电阻(Ohm):6 Ohm
相电感(mH):2 mH
转⼦惯量(gcm²):3 gcm²
电机重量(kg):0.1 kg
电机⾼度(mm):40 mm
螺杆⻓度:不同的长度可选
反馈装置:编码器(闭环版本)
订货编码:8HY20T35061A9-E2000

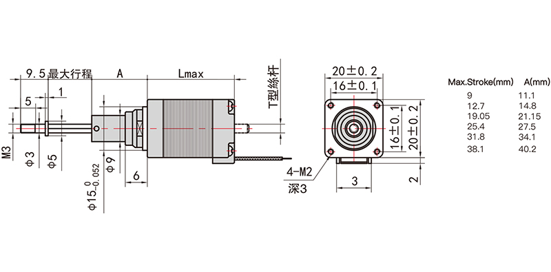
尺寸图

固定轴式直线步进电机-8HY40A

文档下载

文件 类型 大小 最后更新 链接
8HYA pdf - 1月 / 18 / 2022   Download

相关推荐

  • 贯通式直线步进电机-8HY30L

    贯通式直线步进电机-8HY30L

    NEMA8贯通轴式直线电机是贯通式的线性执行器,结构紧凑,传动效率和定位精度高。可选装高分辨率的贯通编码器配合高定位使用

  • 贯通式直线步进电机-8HY40L

    贯通式直线步进电机-8HY40L

    NEMA8贯通轴式直线电机是贯通式的线性执行器,结构紧凑,传动效率和定位精度高。可选装高分辨率的贯通编码器配合高定位使用

  • 固定轴式直线步进电机-8HY30A

    固定轴式直线步进电机-8HY30A

    灵活的紧凑型直线步进电机,尺寸为 NEMA 8 (20 mm),定位时间短、推力和拉力大。固定轴

  • 外部驱动式直线步进电机-8HY30

    外部驱动式直线步进电机-8HY30

    灵活的紧凑型直线步进电机,尺寸为 NEMA 8 (20 mm),定位时间短、推力和拉力大。带有梯形螺纹。提供多种长度和不同的绕组。直线输出型式,无需额外结构设计。

  • 外部驱动式直线步进电机-8HY40

    外部驱动式直线步进电机-8HY40

    灵活的紧凑型直线步进电机,尺寸为 NEMA 8 (20 mm),定位时间短、推力和拉力大。带有梯形螺纹。提供多种长度和不同的绕组。直线输出型式,无需额外结构设计。