42mm贯通式直线步进电机-17HY48L

42mm贯通式直线步进电机-17HY48L

NEMA17(42mm法兰)贯通轴式直线电机是贯通式的线性执行器,结构紧凑,传动效率和定位精度高。可选装高分辨率的贯通编码器配合高定位使用。

简要特性

  • ⼀体化结构
  • 提供多种规格
  • 更⻓的寿命和更⾼的精度
  • 提供不同⻓度
  • 提供内置编码器。
  • 电机控制器/驱动器可⽤
  • 使⽤控制器时,0.0002mm /步

规格参数

型号代码:17HS48L
相电流(A):1.5 A
静⼒矩(mN.m):450 mN.m
相电阻(Ohm):2 Ohm
相电感(mH):3.85 mH
转⼦惯量(gcm²):82 gcm²
电机重量(kg):0.34 kg
电机⾼度(mm):48 mm
螺杆⻓度:不同的长度可选
反馈装置:编码器(闭环版本)
订货编码:17HS34LT63502E2000-L1

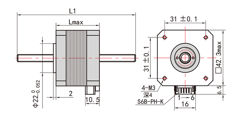
尺寸图

42mm贯通式直线步进电机-17HY48L

文档下载

文件 类型 大小 最后更新 链接
17HSL pdf - 1月 / 18 / 2022   Download

相关推荐

  • 42mm贯通式直线步进电机-17HY34L

    42mm贯通式直线步进电机-17HY34L

    NEMA17(42mm法兰)贯通轴式直线电机是贯通式的线性执行器,结构紧凑,传动效率和定位精度高。可选装高分辨率的贯通编码器配合高定位使用。

  • 42mm系列固定轴式直线步进电机-17HY34A

    42mm系列固定轴式直线步进电机-17HY34A

    灵活的紧凑型直线步进电机,尺寸为 NEMA 17 (42 mm),定位时间短、推力和拉力大。固定轴式,直线输出,无需额外结构设计。

  • 42mm系列固定轴式直线步进电机-17HS48A

    42mm系列固定轴式直线步进电机-17HS48A

    灵活的紧凑型直线步进电机,尺寸为 NEMA 17 (42 mm),定位时间短、推力和拉力大。固定轴式,直线输出,无需额外结构设计。

  • 42mm外驱式直线步进电机-17HY34

    42mm外驱式直线步进电机-17HY34

    Nema17集成梯形丝杠电机,不带联轴器,电机与丝杠直接连接。 提供多种电机高度版本。 还提供用于位置反馈的内置编码器。

  • 42mm外驱式直线步进电机-17HY48

    42mm外驱式直线步进电机-17HY48

    Nema17集成梯形丝杠电机,不带联轴器,电机与丝杠直接连接。 提供多种电机高度版本。 还提供用于位置反馈的内置编码器。