35mm系列固定轴式直线步进电机-14HYA

35mm系列固定轴式直线步进电机-14HYA

NEMA14贯通轴式直线电机是贯通式的线性执行器,结构紧凑,传动效率和定位精度高。可选装高分辨率的贯通编码器配合高定位使用。

简要特性

  • 可选装高精度编码器
  • NEMA14法兰,35mm尺寸
  • 可配套驱动与控制器
  • 质量可靠,交货期快
  • 多种丝杆规格和行程可选

规格参数

型号代码:14HS34L
相电流(A):1.0 A
静⼒矩(mN.m):160 mN.m
相电阻(Ohm):2.7 Ohm
相电感(mH):3.0 mH
转⼦惯量(gcm²):18 gcm²
电机重量(kg):0.18 kg
电机⾼度(mm):34 mm
螺杆⻓度:不同的长度可选
反馈装置:编码器(闭环版本)
订货编码:14HS34LT63502-E2000-L1

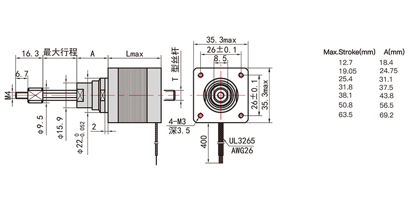
尺寸图

35mm系列固定轴式直线步进电机-14HYA

文档下载

文件 类型 大小 最后更新 链接
14HSA pdf - 1月 / 18 / 2022   Download

相关推荐

  • 35mm系列贯通式直线步进电机-14HYL

    35mm系列贯通式直线步进电机-14HYL

    NEMA14贯通轴式直线电机是贯通式的线性执行器,结构紧凑,传动效率和定位精度高。可选装高分辨率的贯通编码器配合高定位使用。

  • 35mm系列外驱式直线步进电机-14HY

    35mm系列外驱式直线步进电机-14HY

    灵活的紧凑型直线步进电机,尺寸为 NEMA 14 (35 mm),定位时间短、推力和拉力大。带有梯形螺纹。提供多种长度和不同的绕组。