PD2-C-IP

PD2-C-IP

一体化带IP65防护的伺服电机,内置运动控制器和智能I/O且防护等级为IP65的智能无刷伺服电机,配有M12连接器。在CANopen版本中,可通过现场总线配置文件CiA 402控制驱动器,节省空间的多合一伺服系统,简化了安装。法兰尺寸:42毫米,IP伺服系统适用于防水防尘等恶劣工况。

简要特性

  • 由现场总线,时钟和方向或模拟/数字输入控制
  • 易于通过CANopen进行参数设置
  • 集成运动控制器
  • 绝对值闭环系统
  • 一体式结构,可直接替换交流伺服电机
  • 德国品牌30年+
  • 非常适合动态应用
  • 使用寿命长
  • IP65防护等级

规格参数

型号代码:PD2-C411L18-E-65
额定电流 (RMS):1.8 A
保持转矩(Ncm):50 Ncm
峰值电流 (RMS):3 A
接口:USB, IO (时钟/方向;模拟), CANopen
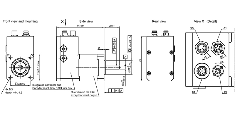
机身长度(mm):74.4 mm
重量(kg):0.9 kg
工作电压:12 V直流 - 48 V直流
模拟输入的类型:0-20 mA/0-10 V 可切换
订货编码:PD2-C411L18-E-65-

尺寸图

PD2-C-IP

力矩曲线

PD2-C-IP

文档下载

文件 类型 大小 最后更新 链接
PD2-C-IP pdf - 1月 / 19 / 2022   Download