LSA201S06-B-TDBA-102

LSA201S06-B-TDBA-102

20mm法兰的灵活紧凑的高效率线性步进电机,外部驱动式结构,定位时间短,推力比同类产品更大
研蓝还提供可与该直线步进电机匹配的电机控制器/驱动器。闭环版本同样可以供货

简要特性

  • 定位时间短
  • 推力大
  • 不同绕组
  • 集成接头
  • 精度高
  • 闭环版本可以提供
  • 外部驱动式输出

规格参数

型号代码:LSA201S06-B-TDBA-102
推力(N):46 N
速度(mm/s):40 mm/s
相电流(A):0.6 A
分辨率(µm/步):5 µm/步
相电阻(Ohm):6.4 Ohm
相电感(mH):2.6 mH
丝杆直径(mm):3.5 mm
导程(mm):1 mm
丝杆长度“L”(mm):102 mm
机身长度“A”(mm):33 mm
重量(kg):0.054 kg
订货编码:LSA20

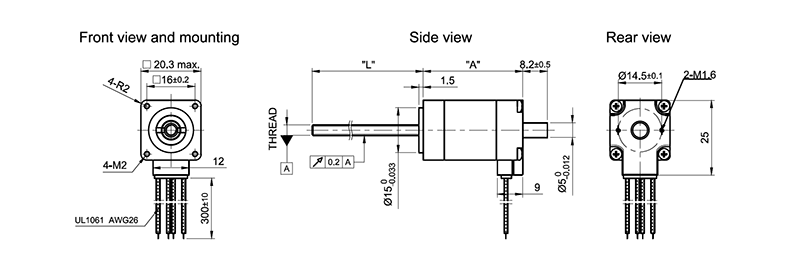
尺寸图

LSA201S06-B-TDBA-102

力矩曲线

LSA201S06-B-TDBA-102

文档下载

文件 类型 大小 最后更新 链接
LSA20 pdf - 1月 / 19 / 2022   Download

相关推荐

  • LSA201S06-A-TDBA-102

    LSA201S06-A-TDBA-102

    20mm法兰的灵活紧凑的高效率线性步进电机,外部驱动式结构,定位时间短,推力比同类产品更大 研蓝还提供可与该直线步进电机匹配的电机控制器/驱动器。闭环版本同样可以供货