40系列行星齿轮箱-PLE40

40系列行星齿轮箱-PLE40

40系列精密行星减速箱适配于40系列伺服电机和42系列步进电机。
带输出轴的行星减速机适用于各种各样的驱动解决方案。输出轴有不同型式可选,在带输出轴的行星减速机与您的应用之间建立快速可靠的连接。输入形式可选联轴器的摩擦方案。也可通过内齿以相互啮合的方式非常简便地安装其他驱动组件,如小齿轮。
行星减速机的驱动法兰可个性化适配电机。带输出轴的行星减速机与伺服电机组成的紧凑型单元提升了灵活性。

简要特性

  • 行星齿轮箱
  • 多级和减速比可选
  • 精度高
  • 质量可靠,交期稳定
  • 适配各种电机

规格参数

产品系列:PLE40不带法兰输出型
减速比:0-128
效率:95%
减速比范围:3~512
适用电机:步进电机和直流伺服电机
定制化:法兰和速比
品牌商:YANLANMC
产品系列:PLE40不带法兰输出型

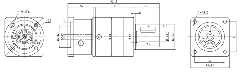
尺寸图

尺寸图 40系列行星齿轮箱-PLE40

相关推荐

  • 60系列行星齿轮箱-PLE60

    60系列行星齿轮箱-PLE60

    60系列变速箱适用于Nema23步进电机和60法兰伺服电机。 提供各种减速比,使用寿命长且精度高。 可以由我们安装,也可以自己安装。 如有特殊要求,也可定制。

  • 80系列行星齿轮箱-PLE80

    80系列行星齿轮箱-PLE80

    80系列变速箱适用于Nema34步进电机和80法兰伺服电机。 提供各种减速比,使用寿命长且精度高。 可以由我们安装,也可以自己安装。 如有特殊要求,也可定制。

  • 定制型手动离合减速箱-PLFM60K128

    定制型手动离合减速箱-PLFM60K128

    PLFM是一款结构紧凑且高精度的行星齿轮箱,在标准齿轮箱的基础上进行了深度定制,支持手动离合切换力矩传输与断开。适合于工程设备和自动化设备中。