42方形系列直流无刷电机-YL42BL10008105

42方形系列直流无刷电机-YL42BL10008105

42mm安装法兰(Nema17)的内转子电机是一款的三相直流无刷电机,带永久磁铁的转子在绕有线圈的固定定子里面围绕一个轴旋转。其优点是转子的转动惯量更小且散热性能更佳。这种电机特别适用于高速场合。额定输出功率25W-105W,额定转速4000rpm。

简要特性

  • 42mm方形尺寸
  • 可配套编码器
  • 更长的寿命和更高的精度
  • 提供不同长度
  • 电机控制器/驱动器可用

规格参数

系列代码:YL42BL10008105
极数:8
相数:3
额定电压(VDC):24 VDC
额定转速(RPM):4000 RPM
额定扭矩(N-m):0.25 N-m
输出功率(Watts):105 Watts
额定电流(Amps):6.6 Amps
峰值扭矩(N-m):0.75 N-m
峰值电流(Amps):20 Amps
力矩常数(N-m/A):0.0376 N-m/A
反电势常数(V/k RPM):2.62 V/k RPM
转动惯量(g·cm²):96 g·cm²
电机长度(mm):100 mm
重量(kg):0.8 kg
订货编码:YL42BL410826-A/B/E

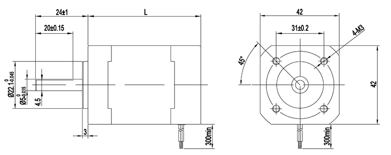
尺寸图

42方形系列直流无刷电机-YL42BL10008105

文档下载

文件 类型 大小 最后更新 链接
42系列方形 pdf - 1月 / 18 / 2022   Download

相关推荐

  • 42方形系列直流无刷电机-YL42BL410826

    42方形系列直流无刷电机-YL42BL410826

    42mm安装法兰(Nema17)的内转子电机是一款的三相直流无刷电机,带永久磁铁的转子在绕有线圈的固定定子里面围绕一个轴旋转。其优点是转子的转动惯量更小且散热性能更佳。这种电机特别适用于高速场合。额定输出功率25W-105W,额定转速400...

  • 42方形系列直流无刷电机-YL42BL610852

    42方形系列直流无刷电机-YL42BL610852

    42mm安装法兰(Nema17)的内转子电机是一款的三相直流无刷电机,带永久磁铁的转子在绕有线圈的固定定子里面围绕一个轴旋转。其优点是转子的转动惯量更小且散热性能更佳。这种电机特别适用于高速场合。额定输出功率25W-105W,额定转速400...

  • 42方形系列直流无刷电机-YL42BL810878

    42方形系列直流无刷电机-YL42BL810878

    42mm安装法兰(Nema17)的内转子电机是一款的三相直流无刷电机,带永久磁铁的转子在绕有线圈的固定定子里面围绕一个轴旋转。其优点是转子的转动惯量更小且散热性能更佳。这种电机特别适用于高速场合。额定输出功率25W-105W,额定转速400...