扁平无刷电机-EC45外转子电机- 30 Watt, 带霍尔传感器-EC45MS-A330AH2

扁平无刷电机-EC45外转子电机- 30 Watt, 带霍尔传感器-EC45MS-A330AH2

无刷EC盘式电机以其扁平结构而在多种应用场合中成为最佳驱动选择。 缜密而简单的设计结构不但在最大程度上满足了自动化生产的需求。完美平替maxon同类电机

Features特性

  • 额定30W,转速3050rpm
  • 高性能直流无刷电机
  • 扁平机身,适合紧凑空间
  • 完美平替maxon同类电机

规格参数

电压(V DC):12 V DC
额定功率(W):30 W
额定转速(rpm):3050 rpm
额定转矩(Nm):58 mNm Nm
机身长度"A"(mm):16.5 mm
法兰尺寸(mm):45 mm

扁平 BLDC 电机性能和稳定性可有效替代进口同类电机,支持客户定制

ng娱乐电子游戏官网

3D预览

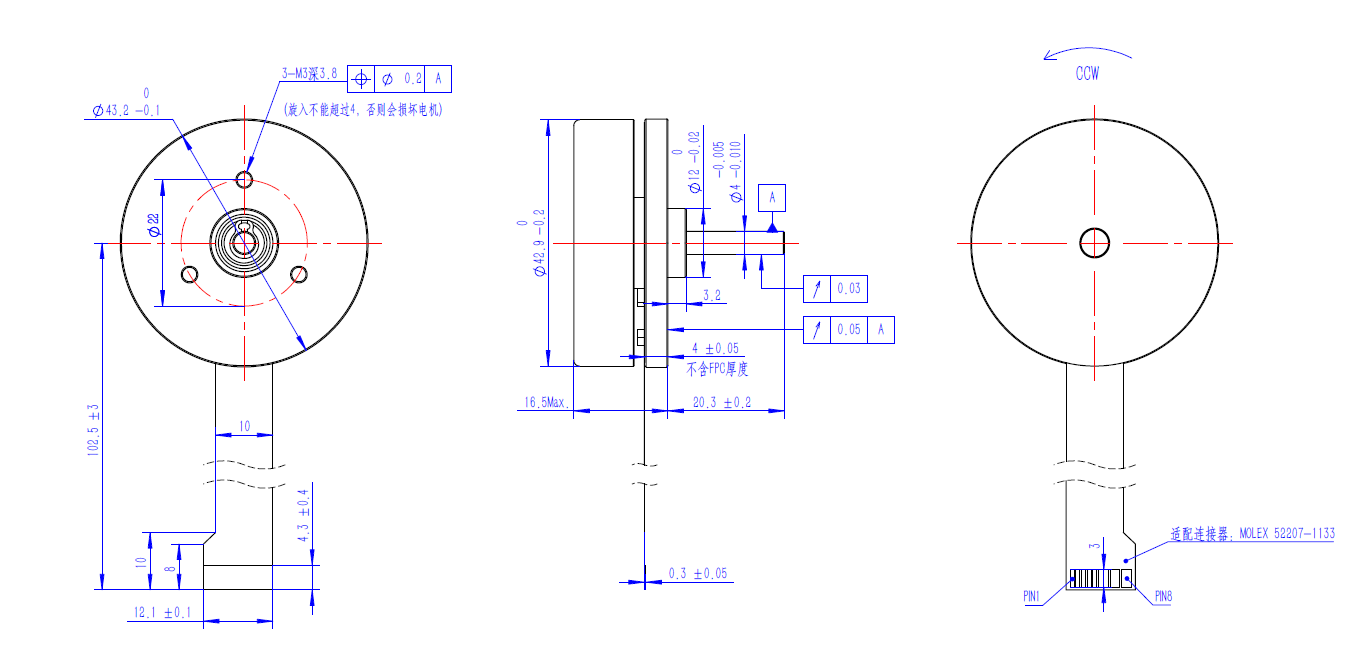
尺寸图

扁平无刷电机-EC45外转子电机- 30 Watt, 带霍尔传感器-EC45MS-A330AH2

Relevant