50W带2级减速的无刷伺服电机-42BL5024G20E

42mm安装法兰(Nema17)的内转子电机是一款的三相直流无刷电机,带永久磁铁的转子在绕有线圈的固定定子里面围绕一个轴旋转。其优点是转子的转动惯量更小且散热性能更佳。这种电机特别适用于高速场合。额定输出功率50W,额定转速3000rpm。带行星减速箱,输出更大扭矩更低转速,集成编码器,适合于扭矩控制和伺服定位控制。

多种减速箱速比和编码器支持多种规格可选,可咨询我们

简要特性

  • 42mm方形尺寸
  • 已配套编码器和齿轮箱
  • 更长的寿命和更高的精度
  • 提供不同规格可选
  • 电机控制器/驱动器可用

规格参数

系列代码:42BL5024G20E
极数:8
相数:3
额定电压(VDC):24 VDC
额定转速(RPM):3000 RPM
额定扭矩(N-m):0.125 N-m
输出功率(Watts):52 Watts
额定电流(Amps):3.5 Amps
峰值扭矩(N-m):0.38 N-m
峰值电流(Amps):10.5 Amps
力矩常数(N-m/A):0.036 N-m/A
反电势常数(V/k RPM):2.71 V/k RPM
转动惯量(g·cm²):48 g·cm²
电机长度(mm):61 mm
重量(kg):0.6 kg
订货编码:YL42BL610852E8000G20

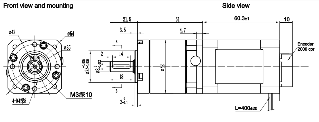
尺寸图

50W带2级减速的无刷伺服电机-42BL5024G20E

文档下载

文件 类型 大小 最后更新 链接
YL42BL610852E8000G20 pdf 811K 2月 / 07 / 2022   Download

相关推荐

  • CL3-E-2-0F

    CL3-E-2-0F

    小型步进电机的电机控制器。 该板的电机控制器很小(40 x 60毫米)。 支持高分辨率编码器输入,集成丰富的数字输入,模拟输入,数字输出。 通过USB,CANopen,Modbus RTU(RS232,RS485)进行控制,特别适合集成到实...