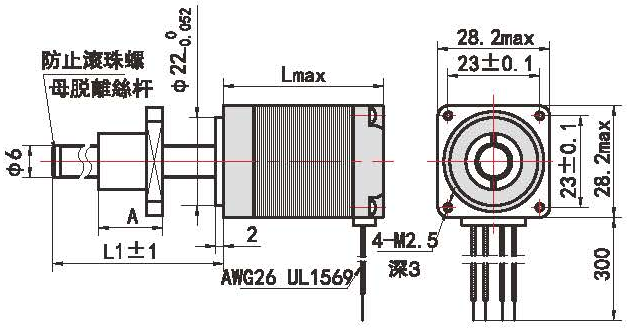
28H51MBG0602 is a miniature ball screw stepper motor. The integrated structure does not require a coupling, saves installation space, and is suitable for compact linear drive applications. An optional closed-loop version with encoder is also available. Ball four cylinders have a longer life than T-shaped screws.