直流伺服电机智能驱动控制器CL4E-适合57/86闭环步进电机和额定280W直流伺服电机

适用于步进电机和伺服电机的通用控制器,支持闭环步进电机和直流伺服电机通过USB,CANopen,Modbus RTU(RS232,RS485)进行控制。电源电压范围从12到58v.额定0-6A/峰值18A大电流输出(指令可调整)。德国研发制造

Features

  • 小体积,额定0-6A/峰值0-18A
  • USB,CANopen,Modbus RTU(RS232,RS485)进行控制
  • 高精度定位,速度,转矩控制
  • 丰富的输入和输出IO点
  • 伺服控制器
  • 逻辑运动控制程序自主下载

规格参数

额定电流(A):6 A
供电电压 V DC:12-58 V DC
控制接口:Canopen
输入 & 输出:

4个数字输入端(24V)

1个模拟量输入端(0-10 V)

2个数字输出端

OEM可编程:Yes
定制化:OEM logic program
适用电机:stepper and DC servo motor

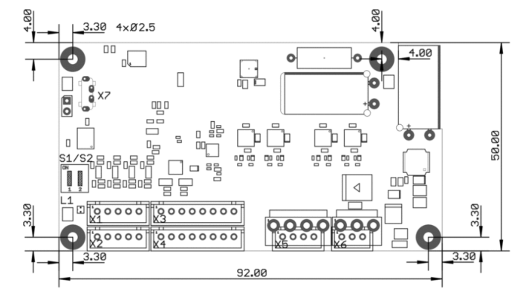
小体积直流伺服驱动器Dimension尺寸

Pin assignment引脚定义

3D预览

文档下载

文件 类型 大小 最后更新 链接
CL4-E 3D Model zip 9.042MB 12月 / 24 / 2019   Download
CL4-E-Overview pdf 462.4KB 12月 / 13 / 2019   Download
CL4E_CANopen_USB_ModbusRTU_Technical-Manual pdf 13.934MB 12月 / 24 / 2019   Download
PNDS-2.0.5-release-package zip 323.863MB 12月 / 19 / 2019   Download

Relevant

  • 42紧凑型减速齿轮箱

    42紧凑型减速齿轮箱

    40系列减速齿轮箱适配于40系列直流电机和42系列步进电机。随我们的电机配套组装销售