42H34MBGE-Externally | Linear servo |

Nema17 external linear actuator integrates ball screw and motor, without coupling, longer life and higher accuracy. Available in different lengths of screw. Built-in high-resolution precision encoder. Suitable for high-precision positioning applications. Such as medical, optical and other applications.

Features

  • Nema17 step servo motor
  • Longer life and higher accuracy
  • Different lengths available
  • Miniature ball screw
  • Microstep driver available
  • Closed-loop 

规格参数

推力(N):0-200 N
速度(mm/s):0-50 mm/s
法兰尺寸(mm):42 mm
机身长度(mm):34 mm
输出类型:外部驱动式
内置编码器:
可选:编码器
定制化:L1 Different lengths available
可选驱动器 / 控制器:

Motor Controllers / Drives available

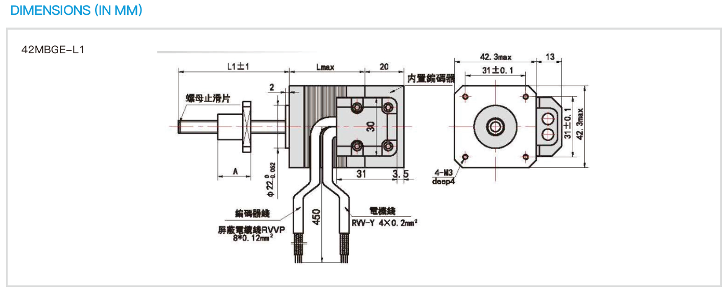
DIMENSIONS (MM)-42H34MBGE

Nut-G0802(Left)  G0805(Right)

Force-Velocity Curve-42MBG

 *Measured in the laboratory, safety margin must be greater than the above value 30% to 50%

 

Relevant