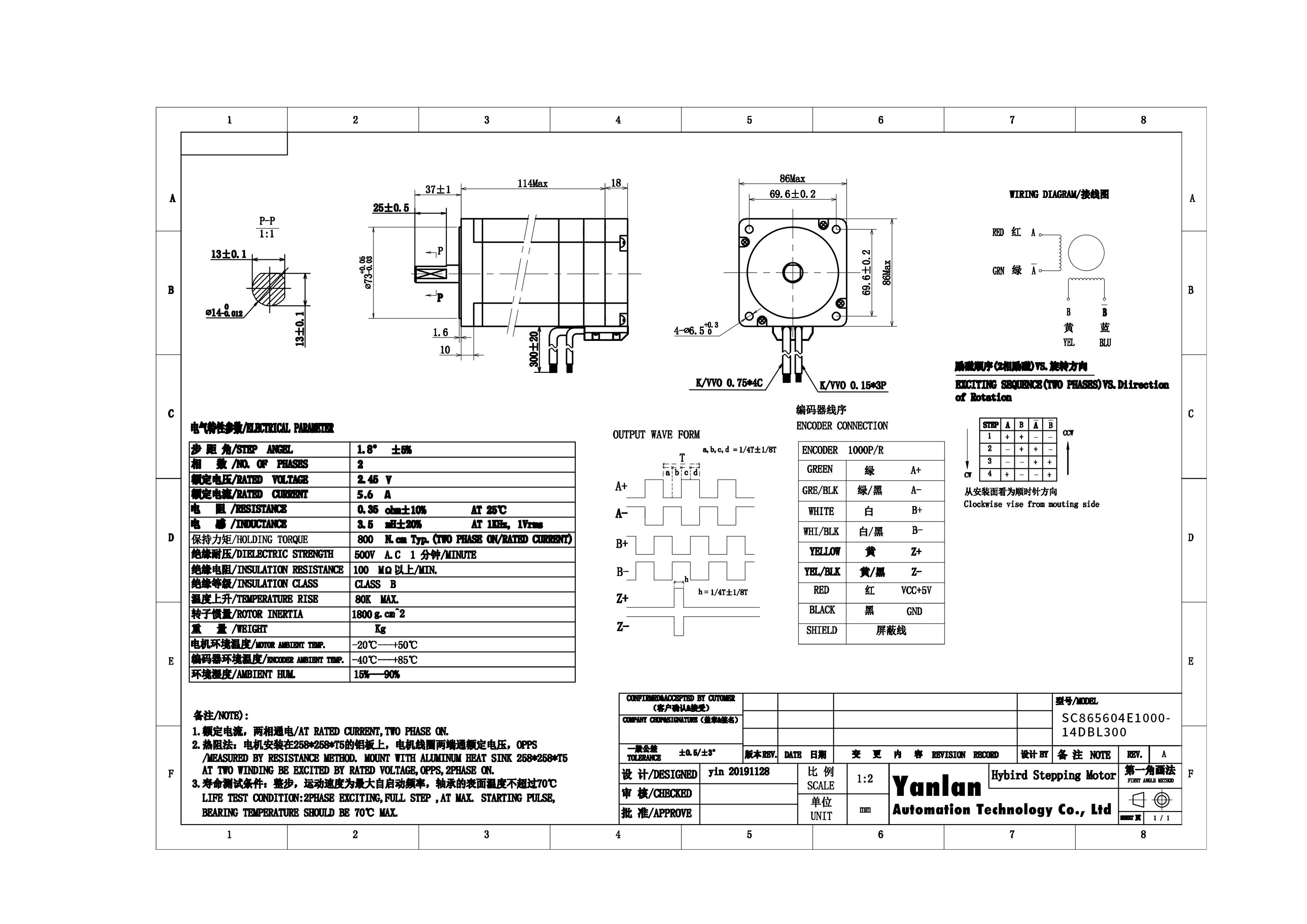
86步进伺服电机-SC86L114E

NEMA34高性能大扭矩闭环步进电机,法兰尺寸86mm,集成了三通道编码器,扭矩高达8Nm

Features

  • 闭环步进伺服电机
  • NEMA34步进电机
  • ABZ三通道编码器
  • 出轴支持定制
  • 法兰尺寸86mm

规格参数

额定转速(rpm):500 rpm
法兰尺寸(mm):34 mm
力矩(Nm):8 Nm
步距角(°):1.8
选装变速箱:
可选:减速箱
定制化:出轴尺寸/编码器分辨率/制动器
可选驱动器/控制器:

步进电机控制器和驱动器

现货供应高品质86系列闭环步进电机,参数如下

Electrical Specifications:

ng娱乐电子游戏官网