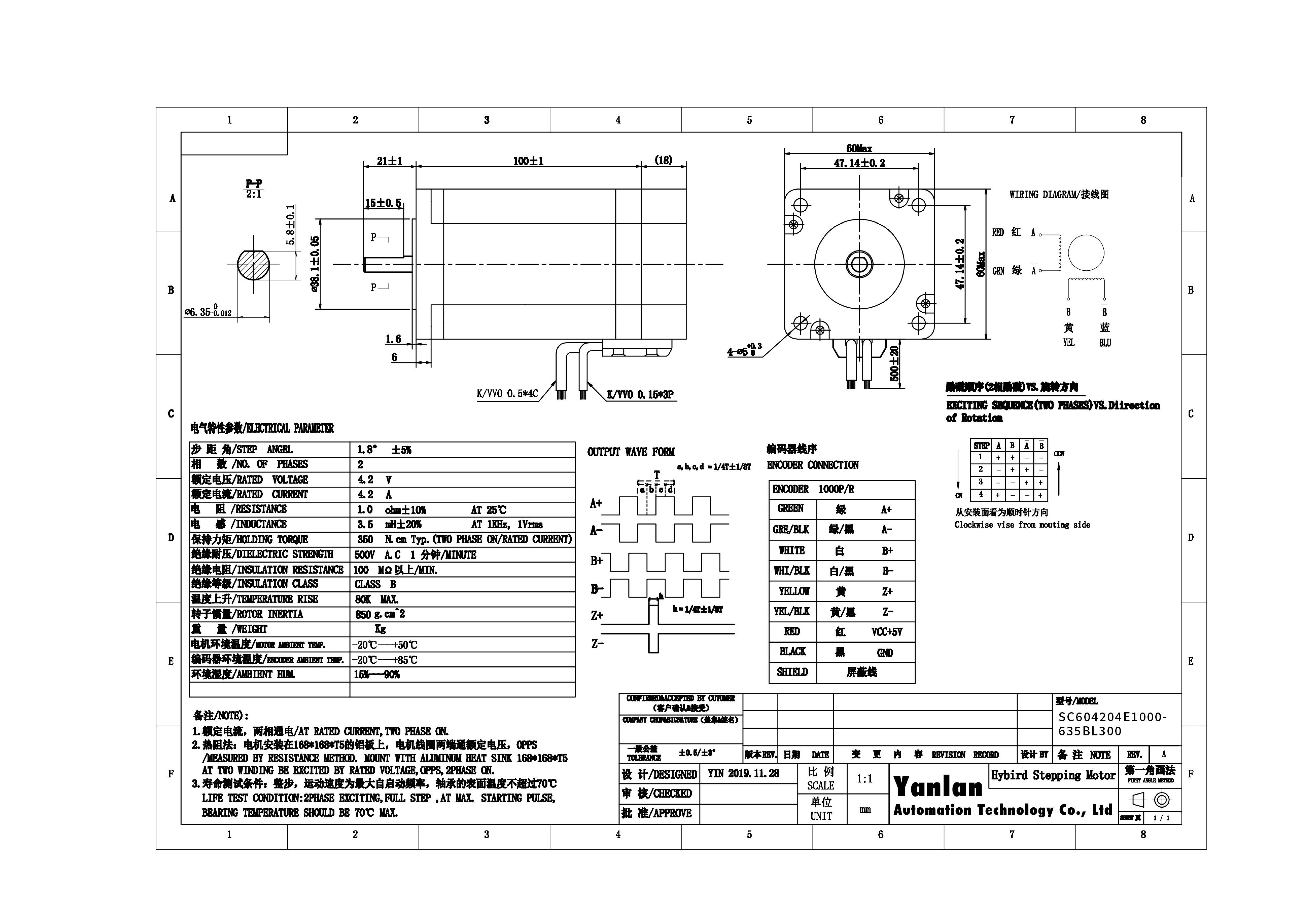
NEMA24高性能大扭矩闭环步进电机,集成了ABZ差分三通道编码器,扭矩高达3.5Nm
步进电机控制器和驱动器
现货供应高品质60系列闭环步进电机,参数如下
Electrical Specifications: