PMD006P3 is a compact stepper motor open-loop controller that supports 0-3A output. The maximum subdivision can reach 16 microstep. Supports common cathode, common anode, and differential signal control. Wide range of applications. Economical.
Features
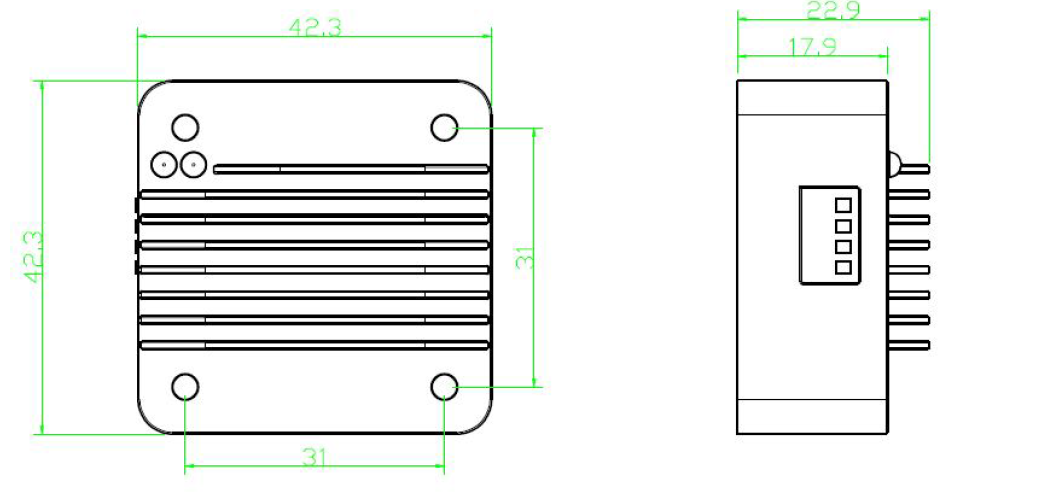
MiniatureSmall size,42*42mm
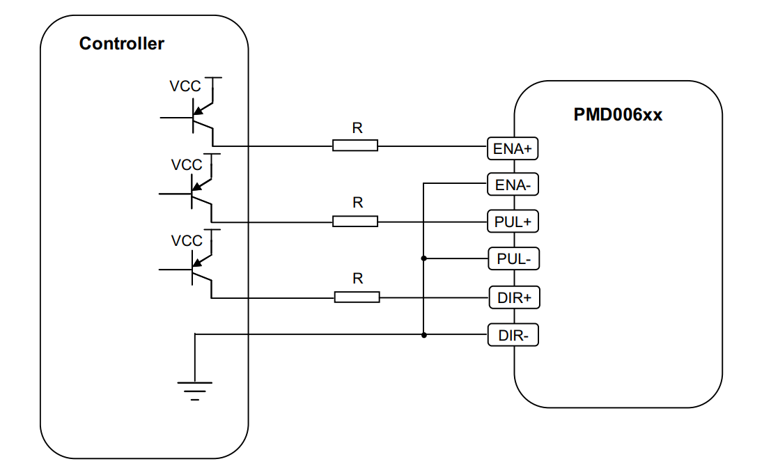
common cathode, common anode, and differential signal