适用于42步进和40伺服电机带圆形法兰输出的一级行星减速机 - PLE40R5

PLE40系列精密行星减速箱,低背隙,长寿命。一级速比,适合安装于任意类型电机(42步进电机/40无刷电机/40伺服电机)上,可随我司步进电机和直流伺服电机安装出货,也支持用户独立购买。工厂生产,独立供货时,支持输入法兰按电机法兰定制。

Features

  • 低背隙精密行星齿轮箱
  • 一级速比,自由选配
  • 免维护
  • 支持配套安装和独立购买
  • PLF40带方形法兰输出的同样可以供货
  • 交期快速

规格参数

减速比:5 可选3-10
传动效率(%):96%
额定力矩(Nm):6 Nm
适用电机:步进电机和直流伺服电机
定制化:法兰和速比
订货编码:PLE40R5
品牌商:YANLANMC
产品系列:PLE圆形法兰输出型

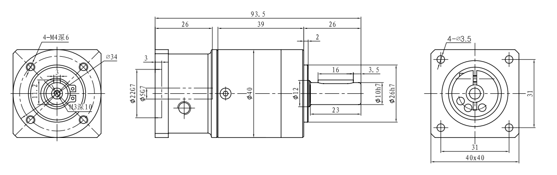
参考尺寸(MM)

ng娱乐电子游戏官网